Genuine Parts

Genuine Parts

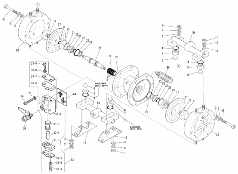
Genuine Parts  »  Series DP-10/DP-15  »  DP-10BPT
View Cart RFQ Cart (0)

Product DP-10BPT

DP-10BPT
Product Number Image Description Reference Number Quantity Action
628012 628012 Nut 1 8
Add to Cart
681300 681300 Spring Lock Washer 2 20
Add to Cart
631329 631329 Plain Washer 3 20
Add to Cart
643018 643018 O-ring 4 4
Add to Cart
771136 771136 Valve Stopper 5 2
Add to Cart
770931 770931 Ball 6 4
Add to Cart
771187 771187 Valve Seat 7 2
Add to Cart
770968 770968 Center Disk 9 2
Add to Cart
643005 643005 O-ring 11 4
Add to Cart
708770 708770 Center Disk 13 2
Add to Cart
714678 714678 Sleeve 14 1
Add to Cart
684900 684900 O-ring 15 4
Add to Cart
708511 708511 Pump Base 16 2
Add to Cart
831316 831316 Manifold 19 2
Add to Cart
715107 715107 Body 20 1
Add to Cart
630807 630807 Retaining Ring C Type 21 2
Add to Cart
684284 684284 Packing 22 4
Add to Cart
640131 640131 O-ring 23 2
Add to Cart
772651 772651 Spacer 24 1
Add to Cart
801785 801785 Center Rod Assembly 25 1
Add to Cart
772619 772619 Guide Bushing 26 2
Add to Cart
770933 770933 Diaphragm 27 2
Add to Cart
780194 780194 Out Chamber 28 2
Add to Cart
681855 681855 Spring Lock Washer 29 2
Add to Cart
804505 804505 Valve Body Assembly 33 1
Add to Cart
706798 706798 Push Rod 33 1
Add to Cart
710587 710587 Reinforcement Plate A 33 1
Add to Cart
771357 771357 Cap 33 1
Add to Cart
710853 710853 Spool Valve Case 33 1
Add to Cart
801404 801404 Spool Valve Assembly 33 1
Add to Cart
771356 771356 Cap 33 1
Add to Cart
710636 710636 Reinforcement Plate B 33 1
Add to Cart
681855 681855 Spring Lock Washer 33 4
Add to Cart
682943 682943 Hexagon Socket Head Bolt 33 4
Add to Cart
682918 682918 Hexagon Socket Head Bolt 34 2
Add to Cart
683055 683055 Ball Valve 36 1
Add to Cart
771358 771358 Gasket 44 1
Add to Cart
682945 682945 Hexagon Socket Head Bolt 45 12
Add to Cart
682520 682520 Silencer 46 1
Add to Cart