NDP-20 Série

Yamada® NDP-20 Série de bombas de diafragma

Yamada Trial Pump Program

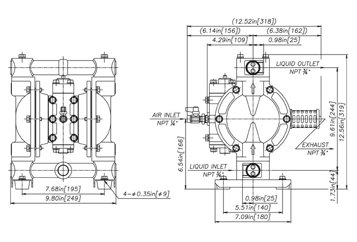
3/4" Porto Fluido

As bombas AODD da série Yamada® NDP-20 fornecem uma vazão máxima de 31,7 galões por minuto. As bombas estão disponíveis em alumínio, aço inoxidável (316) e construção em polipropileno, com uma ampla variedade de materiais de diafragma.

Conceito de válvula de ar unificado - 2 conjuntos de válvula de ar de tamanho comum usados para 6 tamanhos de bombas
Reduzindo a confusão de remontagem e o inventário de peças

Válvula de ar verdadeiramente não lubrificada - válvula de ar patenteada em todas as bombas da série NDP
Nunca requer lubrificação ou pré-embalagem

Não-Stalling - manobra 304SS não centrada, assistida por mola, que garante uma mudança positiva sempre

Testado para durar mais de 300 milhões de ciclos

Aides in long head dead application para uma inicialização confiável

O que separa a Yamada do resto da embalagem é a nossa tecnologia de válvula de ar. A Yamada usa uma válvula de ar principal totalmente não lubrificada e mecanismos pilotos independentes para controlar a lógica do ar.

À medida que o ar comprimido entra na bomba, ele é direcionado através da válvula de ar principal para um lado ou para o outro, dependendo da posição inicial da bobina c. Quando o ar entra na câmara, força o diafragma para fora. Este impulso externo força o líquido para fora da válvula de esfera de descarga e carrega a válvula de esfera de entrada oposta. À medida que o diafragma se desloca para fora, o diafragma conectado no lado oposto está puxando o diafragma para dentro.

Quando percorrer um curso completo, ele entrará em contato com a válvula piloto, pressionando-a e quebrando a vedação para abrir uma porta de escape.

A porta aberta permite que o ar comprimido para o escape do lado de trás da válvula de ar. A queda de pressão produz um deslocamento da válvula de ar principal. Este movimento simplesmente repete do outro lado.

Opção> Diafragma Final

 

GENERAL PUMP INFORMATION

31.7 Gallons/Minute
3/4" NPT Fluid Port

 

Intake & Discharge Connections
Polypropylene (PPG)
3/4" Female NPT or 3/4" ANSI Flange B16.5 #150
Aluminum (ADC-12)
3/4" Female NPT
Stainless Steel (316)
3/4" Female NPT
Air Inlet 3/8" Female NPT (includes ball valve)
Air Exhaust 3/4" Female NPT (includes silencer)

 

Maximum Liquid Temperature1
Buna N 180°F (82°C)
Neoprene 180°F (82°C)
Santoprene®(TPO) 180°F (82°C)
EPDM 212°F (100°C)
PTFE 212°F (100°C)
Hytrel® (TPE) 248°F (120°C)
Viton® fluoroelastomer 248°F (120°C)
1Polypropylene pumps have a maximum liquid temperature of 180°F (82°C) regardless of diaphragm material.

 

Air Supply Pressure (All Models) 20 to 100 PSI (1.4 to 7 kgf/cm²)
Discharge Volume Per Cycle

Rubber diaphragm: 0.163 gallons (615 cc)
PTFE diaphragm: 0.143 gallons (539 cc)

Maximum Cycles Per Minute

Rubber diaphragm: 195
PTFE diaphragm: 195

Maximum Size Solid 1/16" (2.0 mm)
Maximum Dry Suction Lift Rubber-fitted pump capability: 18-feet
Air Motor Aluminum - Metal Pumps
Plastice - Plastic Pumps
Optional Coating PTFE-coated
Other Options Split manifold pumps

MATERIAL TYPES

:: Aluminum
Dimensions: 9.80" W x 12.5" H
Net Weight: 19.8 lbs. (9.0 kg)
Shipping Weight: 23.8 lbs.
:: Aluminum-PP
Dimensions: 9.80" W x 12.48" H
Net Weight: 16.5 lbs. (7.5 kg)
Shipping Weight: 20.5 lbs.
:: Polypropylene (ANSI flange)
Dimensions: 12.44" W x 14.70" H
Net Weight: 17.6 lbs. (8.0 kg)
Shipping Weight: 21.6 lbs.
:: Polypropylene-PP (ANSI flange)
Dimensions: 12.44" W x 14.72" H
Net Weight: 15.4 lbs. (7.0 kg)
Shipping Weight: 19.4 lbs.
:: Polypropylene (NPT)
Dimensions: 12.46" W x 14.49" H
Net Weight: 17.6 lbs. (8.0 kg)
Shipping Weight: 21.6 lbs.
:: Polypropylene-PP (NPT)
Dimensions: 12.48" W x 14.48" H
Net Weight: 15.4 lbs. (7.0 kg)
Shipping Weight: 19.4 lbs.
:: Stainless Steel
Dimensions: 9.65" W x 12.42" H
Net Weight: 30.9 lbs. (14.0 kg)
Shipping Weight: 34.9 lbs.
:: Stainless Steel-PP
Dimensions: 9.72" W x 12.4" H
Net Weight: 27.6 lbs. (12.5 kg)
Shipping Weight: 31.6 lbs.

ACCESSORIES

Air Motor Kit

K225-AM (metal center body) and K225-AP (plastic center body)

Liquid End Kits
  Aluminum: K20-MC-1, K20-MN-1, K20-ME-1, K20-MH-1, K20-MS-1, K20-MV-1, K20-MT-1
  Stainless Steel: K20-MC-1, K20-MN-1, K20-ME-1, K20-MH-1, K20-MS-1, K20-MV-1, K20-MT-1
  Polypropylene: K20-PC-PP, K20-PN-PP, K20-PE-PP, K20-PH-PP, K20-PS-PP, K20-PV-PP, K20-PT-PP
Filter / Regulators

FR-1, FR-1A (Auto Drain)

Dampener

AD-25 Series

Liquid Level Controller

LLC-2Y, LLC-1 and LLC-4

Controllers

YSC-3EX and YSC-Batch

Diaphragm Monitor System

DM-2

DRy Run Detector

DRD-100

The Yamada Advantage

Yamada Air Powered Double Diaphragm Pumps: Engineered for High Performance. Manufactured for Long Life.

Rugged, Bolted Construction

All Yamada pumps feature bolted construction, which eliminates leaks and simplifies post-maintenance reassembly. Bolted construction is superior to clamp band retainers, which frequently require frustrating, unnecessary leakage rebuilds from misalignment during reassembly.

Outside-Accessible Air Valve

Inspection or maintenance of every Yamada air valve may be performed without removing the pump from service. Outside accessible, making it easy to fix / inspect.

Unified Air Valve Concept

Common-size air valve assemblies reduce parts confusion and inventory.

Pilot Valve

Unique to the Yamada design is an individual modular pilot valve that actuates the air valve. It is depressed slightly by the inner center disk creating a pressure drop at one end of the air valve, allowing shifting to occur. It is maintenance free with no cumbersome snap rings or lubricated dynamic o-rings to replace or repair.

Patented Air Valve Technology

Incorporated in every Yamada Air Powered Double Diaphragm pump

Yamada air valve technology is the heart of the air-powered double diaphragm pump and determines reliability. Yamada holds three patents on its field proven valve and enjoys a superior reputation throughout the industry.

Why Specify an AODD Pump?

  • Handles a wide variety of fluids with high solids content
  • Self Priming
  • Ability to Run Dry
  • Variable flow rate and discharge pressure
  • Portable
  • Simple Installation
  • Dead Head
  • Shear Sensitive
  • Safe Operation
  • Submersible
  • Pumping efficiency remains constant
  • Cannot Overheat
  • High Pressure capabilities
  • No mechanical seals, couplings or motors
  • No pressure relief or bypass needed

Contact Us.

... please wait, submitting.

Literature & Drawings

Videos